
實驗係統
圖中提供了實驗係統的照片。該係統用於(yu) 地麵實驗和微重力拋物線飛行實驗。除高壓氣瓶外,所有係統組件都安裝在1.4米×0.8米×1米(長×寬×高)8020鋁框架中。在飛行實驗中,這個(ge) 高度集成的熱流體(ti) 係統安裝在ZERO-G公司的波音727-200F飛機19的地板上,在模擬微重力環境中進行拋物線飛行艙冷卻實驗。通過以拋物線軌跡飛行飛機來實現重力降低,每條拋物線提供約17-20秒的重力降低時間(10-2g)。
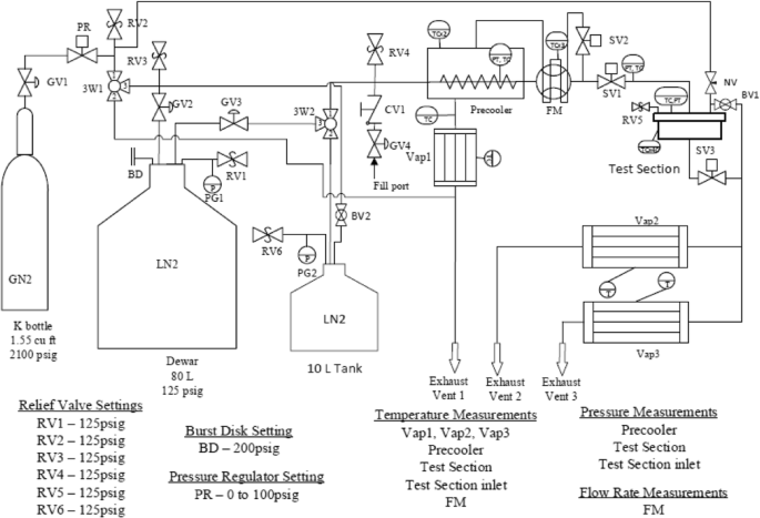
實驗裝置由四個(ge) 基本流體(ti) 單元以及輔助部件、流體(ti) 管道和儀(yi) 器組成。流體(ti) 管道示意圖和儀(yi) 表圖如圖2所示。80-L雙壁低溫杜瓦將液氮供應給過冷器(也稱為(wei) 預冷器)和測試段,以進行儲(chu) 罐冷卻測試,並在實際儲(chu) 罐冷卻測試之前為(wei) 測試段上遊的所有流體(ti) 組分提供液氮進行預冷。在實驗之前,chart-mve80升杜瓦瓶通過液氮填充口用來自標準空氣氣MVE180升杜瓦瓶的工業(ye) 級液氮加滿。過冷器本質上是一個(ge) 簡單的殼管式換熱器(圖3),它有兩(liang) 個(ge) 功能。第一種方法是在液氮進入測試段之前對其進行過冷,從(cong) 而可以確定進入測試段的液體(ti) 的熱力學狀態。在過冷器運行期間,過冷器的內(nei) 管完全浸沒在殼側(ce) 的液氮浴中。由於(yu) 壓力傳(chuan) 感器測量的管內(nei) 壓力總是高於(yu) 殼側(ce) 的壓力,因此液氮浴總是比管內(nei) 冷。因此,熱量從(cong) 管側(ce) 的液體(ti) 中被移除。第二個(ge) 功能是在試驗段上遊部件的預試驗冷卻過程中保存液氮。殼程產(chan) 生的蒸汽通過重力分離,並排放到係統外部。

流體(ti) 網絡的閥門和重要部件。還包括安全閥設置、爆破片設置和壓力調節器設置。BD爆破片、BV球閥、CV止回閥、FM流量計、GN2氣態氮、GV截止閥、LN2液氮、NV針閥、PG壓力表、PR壓力調節器、PT壓力傳(chuan) 感器、RV安全閥、SV電磁閥、TC熱電偶、Vap汽化器、3V三通閥。